Series DH Tubular Air Duct Heaters
<-SERIES DL TUBULAR AIR DUCT HEATER
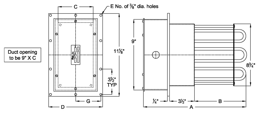
SERIES DM TUBULAR AIR DUCT HEATERS ->
Series DH Tubular Air Duct Heaters feature Incoloy® 840 elements, stainless steel element support, stainless steel support rods, 3-1/2″ high temperature insulation below flange, NEMA 1 terminal enclosure, and replaceable element design.
High temperature (1200°F max.)
Features:
-
- 20 watts per sq. inch on sheath
- Incoloy 840 elements – 1700°F max. sheath temperature
- Stainless steel element support
- Stainless steel support rods
- 3 1⁄2” high temp. insulation below flange
- 1⁄4” or 3⁄8” thick painted steel flange
- Nichrome A resistance wire sized for low wire watt density
- Recompacted bends
- Replaceable element design
- NEMA 1 terminal enclosure
|
Recommended Operating Conditions
|
|
|
Air Speed
(ft. per second) |
Maximum
Operating Temp. |
|
4
|
1000°F
|
|
9
|
1100°F
|
|
16
|
1200°F
|
|
Volts
3-Phase |
#
Circuits |
KW
|
A
|
B
|
C
|
D
|
E
|
G
|
Wt.
(lbs.) |
#
Elems. |
|
240
480 |
1
1 |
6
|
27 3⁄4
|
20
|
3 5⁄8
|
5 5⁄8
|
10
|
2 1⁄2
|
25
|
6
|
|
240
480 |
1
1 |
12
|
27 3⁄4
|
20
|
5 5⁄8
|
7 5⁄8
|
10
|
3 1⁄2
|
35
|
12
|
|
240
480 |
1
1 |
18
|
27 3⁄4
|
20
|
7 5⁄8
|
9 5⁄8
|
12
|
3
|
45
|
18
|
|
240
480 |
2
2 |
24
|
27 3⁄4
|
20
|
9 5⁄8
|
11 5⁄8
|
14
|
2 3⁄4
|
55
|
24
|
|
240
480 |
2
1 |
30
|
27 3⁄4
|
20
|
11 5⁄8
|
13 5⁄8
|
14
|
3 1⁄4
|
65
|
30
|
|
240
480 |
2
1 |
36
|
27 3⁄4
|
20
|
13 5⁄8
|
15 5⁄8
|
14
|
3 3⁄4
|
75
|
36
|
|
240
480 |
2
1 |
42
|
27 3⁄4
|
20
|
15 5⁄8
|
17 5⁄8
|
14
|
4 1⁄4
|
85
|
42
|
|
240
480 |
4
2 |
48
|
27 3⁄4
|
20
|
17 5⁄8
|
19 5⁄8
|
14
|
4 3⁄4
|
100
|
48
|
|
240
480 |
3
3 |
54
|
27 3⁄4
|
20
|
19 5⁄8
|
21 5⁄8
|
14
|
5 1⁄4
|
110
|
54
|
|
240
480 |
5
2 |
60
|
27 3⁄4
|
20
|
21 5⁄8
|
23 5⁄8
|
14
|
5 3⁄4
|
120
|
60
|
|
240
480 |
2
2 |
75
|
32 3⁄4
|
25
|
21 5⁄8
|
23 5⁄8
|
14
|
5 3⁄4
|
135
|
60
|
|
240
480 |
5
4 |
100
|
40 1⁄4
|
32 1⁄2
|
21 5⁄8
|
23 5⁄8
|
14
|
5 3⁄4
|
160
|
60
|
|
240
480 |
5
5 |
125
|
49 1⁄4
|
41 1⁄2
|
21 5⁄8
|
23 5⁄8
|
14
|
5 3⁄4
|
185
|
60
|
|
240
480 |
6
4 |
150
|
49 1⁄4
|
41 1⁄2
|
25 5⁄8
|
27 5⁄8
|
18
|
4 1⁄2
|
220
|
72
|
|
240
480 |
8
8 |
200
|
49 1⁄4
|
41 1⁄2
|
33 5⁄8
|
35 5⁄8
|
22
|
4 3⁄8
|
260
|
96
|
|
240
480 |
10
8 |
250
|
49 1⁄4
|
41 1⁄2
|
41 5⁄8
|
43 5⁄8
|
22
|
5 3⁄8
|
325
|
120
|
<-SERIES DL TUBULAR AIR DUCT HEATER
SERIES DM TUBULAR AIR DUCT HEATERS ->

