Standard Screw Plug Immersion Heaters
<–1″ & 1 1/4″ Screw Plug Heaters
Screw Plug Immersion Heaters ->
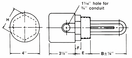
2 inch npt screw plug immersion heaters
|
Plug Material
|
E
|
F
|
H
|
|
Brass
|
1 ¼
|
3⁄8
|
1 ¾
|
|
Steel & Stainless
|
1 ⅜
|
9⁄16
|
1 ¾
|
- 23 watts/sq. inch - 3 elements
- 48 watts/sq. inch - 3 elements
- 23 watts/sq. inch - 2 elements
- 48 watts/sq. inch - 2 elements
- OTHER OPTIONS
|
23 Watts/Sq. Inch – 3 elements
|
|||
|
Immersed
Length “B” |
KW
|
Volts
|
Net
Wt. (lbs.) |
|
11 ⅞
|
2.25
|
240
480 |
9
|
|
17 ½
|
3
|
240
480 |
9
|
|
19 ¾
|
3.75
|
240
480 |
10
|
|
24 ⅝
|
4.5
|
240
480 |
10
|
|
32 ⅝
|
6
|
240
480 |
12
|
|
40 ¼
|
7.5
|
240
480 |
13
|
|
47 ½
|
9
|
240
480 |
15
|
|
51 ⅜
|
10
|
240
480 |
16
|
|
64 ½
|
12.5
|
240
480 |
18
|
|
77 ½
|
15
|
240
480 |
21
|
|
48 Watts/Sq. Inch – 3 elements
|
|||
|
Immersed
Length “B” |
KW
|
Volts
|
Net
Wt. (lbs.) |
|
8 ¼
|
3
|
240
480 |
8
|
|
9 ¾
|
3.75
|
240
480 |
9
|
|
12 ¼
|
4.5
|
240
480 |
9
|
|
17 ½
|
6
|
240
480 |
9
|
|
19 ¼
|
7.5
|
240
480 |
10
|
|
24 ⅝
|
9
|
240
480 |
10
|
|
32 ½
|
12
|
240
480 |
12
|
|
40 ¼
|
15
|
240
480 |
13
|
|
47 ½
|
18
|
240
480 |
15
|
|
51 ⅜
|
20
|
240
480 |
16
|
|
23 Watts/Sq. Inch – 2 elements
|
|||
|
Immersed
Length “B” |
KW
|
Volts
|
Net
Wt. (lbs.) |
|
11 ⅞
|
1.5
|
240
480 |
7
|
|
17 ½
|
2
|
240
480 |
8
|
|
19 ¾
|
2.5
|
240
480 |
8
|
|
24 ⅝
|
3
|
240
480 |
9
|
|
32 ½
|
4
|
240
480 |
9
|
|
40 ⅛
|
5
|
240
480 |
11
|
|
47 ⅜
|
6
|
240
480 |
11
|
|
48 Watts/Sq. Inch – 2 elements
|
|||
|
Immersed
Length “B” |
KW
|
Volts
|
Net
Wt. (lbs.) |
|
8 ¼
|
2
|
240
480 |
7
|
|
9 ¾
|
2.5
|
240
480 |
7
|
|
12 ¼
|
3
|
240
480 |
7
|
|
17 ½
|
4
|
240
480 |
8
|
|
19 ¼
|
5
|
240
480 |
8
|
|
24 ⅝
|
6
|
240
480 |
9
|
|
32 ⅜
|
8
|
240
480 |
9
|
|
40 ¼
|
10
|
240
480 |
11
|
|
47 ½
|
12
|
240
480 |
11
|
|
NEMA 1 with Thermostat
|
||||||||||||
![]() |
||||||||||||
|
|
Moisture Resistant Housing with Thermostat
|
||||||||||||
![]() |
||||||||||||
|
|
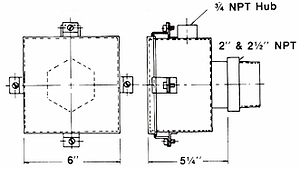
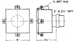
Moisture / Explosion Resistant Housing
|
![]() |
|
Catalog Number N4/7
|
|
Explosion Resistant Housing with Thermostat
|
||||||||||||||||
![]() |
||||||||||||||||
|
2 ½ inch NPT Screw Plug Immersion
|
Plug Material
|
E
|
F
|
H
|
|
Brass
|
2 1⁄16
|
3⁄4
|
3
|
|
Steel & Stainless
|
2 1⁄6
|
3⁄4
|
3
|
3 Elements – Three Phase
* May be rewired to single phase where less than 45 AMPS per line.
|
23 Watts/Sq. Inch – 3 elements
|
|||
|
Immersed
Length “B” |
KW
|
Volts
|
Net
Wt. (lbs.) |
|
11 ⅝
|
2.25
|
240
480 |
9
|
|
17 ⅛
|
3
|
240
480 |
9
|
|
19 ½
|
3.75
|
240
480 |
9
|
|
24 ⅜
|
4.5
|
240
480 |
10
|
|
32 ⅜
|
6
|
240
480 |
12
|
|
39 ⅝
|
7.5
|
240
480 |
13
|
|
47 ⅛
|
9
|
240
480 |
15
|
|
51 ⅛
|
10
|
240
480 |
16
|
|
64 ⅛
|
12.5
|
240
480 |
19
|
|
77 ⅛
|
15
|
240
480 |
22
|
*May be rewired single phase where less than 45 AMPS per line
|
48 Watts/Sq. Inch – 3 elements
|
|||
|
Immersed
Length “B” |
KW
|
Volts
|
Net
Wt. (lbs.) |
|
8
|
3
|
240
480 |
8
|
|
9 ½
|
3.75
|
240
480 |
9
|
|
12
|
4.5
|
240
480 |
9
|
|
17 ¼
|
6
|
240
480 |
9
|
|
19
|
7.5
|
240
480 |
10
|
|
24 ⅜
|
9
|
240
480 |
10
|
|
32 ⅛
|
12
|
240
480 |
12
|
|
39 ⅞
|
15
|
240
480 |
13
|
|
47 ¼
|
18
|
240
480 |
15
|
|
51 ⅛
|
20
|
240
480 |
16
|
*May be rewired single phase where less than 45 AMPS per line.
|
NEMA 1 with Thermostat
|
||||||||||||
![]() |
||||||||||||
|
|
Moisture Resistant Housing with Thermostat
|
||||||||||||
![]() |
||||||||||||
|
|
Moisture / Explosion Resistant Housing
|
![]() |
|
Catalog Number N4/7
|





